Home
Trailer Parts
Trailer suspension parts
Trailer Axle Assembly
Trailer Axle
Trailer Hanger Kits
Trailer springs
Trailer Stamping Parts
Trailer HUB, DRUM, DISC
Trailer Tires and Wheels
Trailer Jack and Couplers
Who We Serve
Trailer Manufacturers
Repair Shops
Dealers
Quality Management
About Us
Resources
Knowledge BaseBlog
Hitch and Ball MountT
Lights and Wiring
Traller Axles
Traller Brake KIt
Traller Coupler
Traller Jack
Traller Mudguards
Traller Suspension
Traller Tires and Wheels
Traller Winch
Blog
Contact
Trailer Parts
Trailer suspension parts
Trailer Axle Assembly
Trailer Axle
Trailer Hanger Kits
Trailer springs
Trailer Stamping Parts
Trailer HUB, DRUM, DISC
Trailer Tires and Wheels
Trailer Jack and Couplers
Who We Serve
Trailer Manufacturers
Repair Shops
Dealers
Quality Management
About Us
Resources
Knowledge BaseBlog
Blog
Contact
U Bolt Tie Plates
Home
>
Trailer Parts
>
Trailer Hanger Kits
>
U Bolt Tie Plates
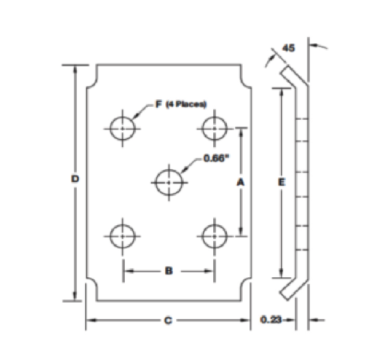
Features
U Bolts Tie Plates
Material is 0.23" Q235, Surface finish is clear
Get A Quote
Specifications
Save Time & Cost By Sourcing Trailer Parts From One Single Source!
Get A Quote