Trailer Parts

Spring Hangers

Features

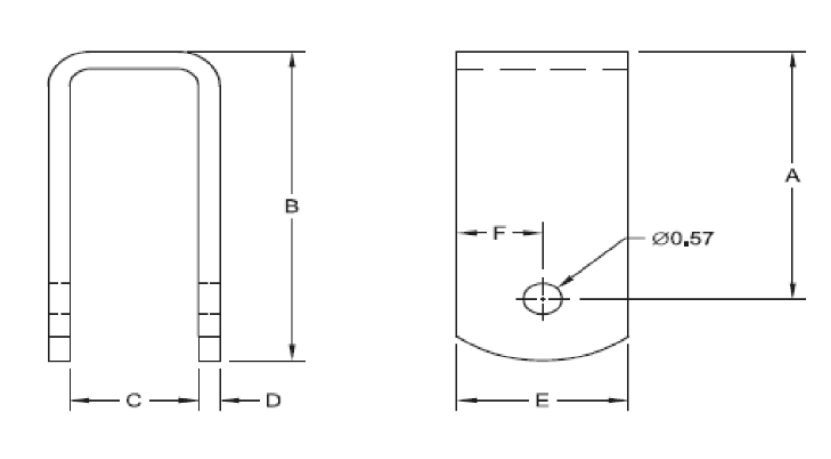
Spring Hangers-1 3/4" wide springs 

Material is Q235, nature surface finish. 2 Holes 9/16" on the top is available 


spring hangers drawing 1.png

Specifications

spring hangers 1 speci.png

Save Time & Cost By Sourcing Trailer Parts From One Single Source!

Get A Quote